一級建築士
〔No.1〕
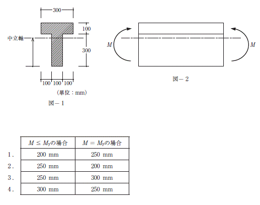
等質で、図-1のような断面形状の部材に、図-2のように断面力として曲げモーメントMのみが作用している。この断面の降伏開始曲げモーメントをMy、全塑性モーメントをMpとするとき、M≦Myの場合とM=Mpの場合の中立軸の位置の組合せとして、正しいものは、次のうちどれか。ただし、中立軸の位置は断面下縁から測るものとする。
1
2
3
4