一級建築士
〔N o.1〕
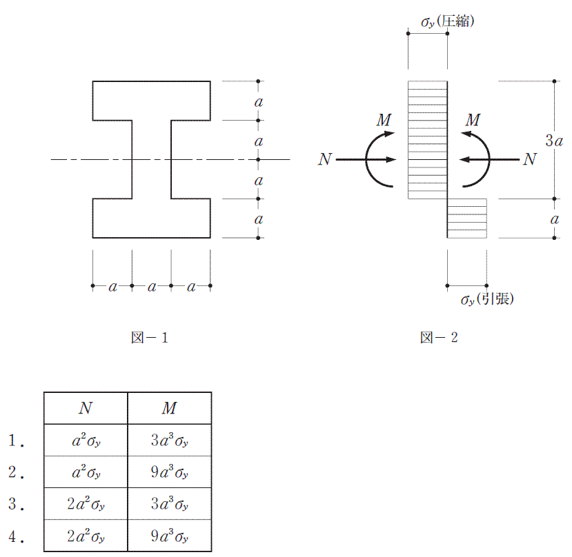
図−1のような等質な材からなる断面が、図−2に示す垂直応力度分布となって全塑性状態に達している。このとき、断面の図心に作用する圧縮軸力と曲げモーメントとの組合せとして、正しいものは、次のうちどれか。ただし、降伏応力度はσとする。
1
2
3
4